DE
IT
EN
FR
ES
Ein Unternehmen der Bonomi Group
Home
Products
Contacts
Downloads
Nachhaltigkeit
IT
EN
DE
FR
ES
KATALOG
/
GEWINDEFITTINGS
/
ROTGUSS GEWINDEFITTINGS
/
RB3340
ROTGUSS GEWINDEFITTINGS
RB3340
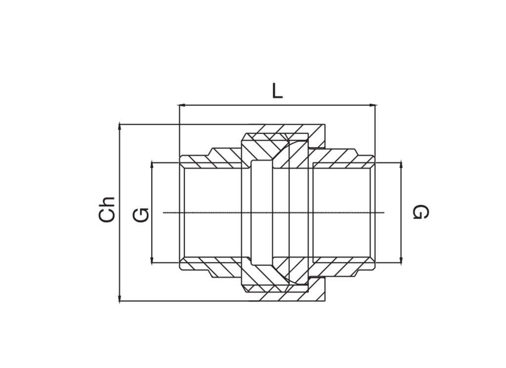
Rohrverschraubung dreiteilig I Gewinde konischdichtend.
Technische Spezifikationen
G
BAG
MASTER BOX
CODE
Ch
L
1/4"
5
150
RB3340A14A14000
27
37
3/8"
10
100
RB3340A38A38000
30
37
1/2"
5
80
RB3340A12A12000
37
41
3/4"
5
50
RB3340A34A34000
46
46
1"
5
60
RB3340B01B01000
52
51
1"1/4
1
80
RB3340B14B14000
64
59
1"1/2
1
12
RB3340B12B12000
73
63
2"
1
8
RB3340C02C02000
89
75
Anwendungen
Verfügbare Medien und Videos
Katalog
Preisliste
Zurück zum Katalog