DE
IT
EN
FR
ES
Ein Unternehmen der Bonomi Group
Home
Products
Contacts
Downloads
Nachhaltigkeit
IT
EN
DE
FR
ES
KATALOG
/
PRESSFITTINGS
/
KUPFER UND ROTGUSS PRESSFITTINGS MIT M PROFIL
/
QM8243
KUPFER UND ROTGUSS PRESSFITTINGS MIT M PROFIL
QM8243
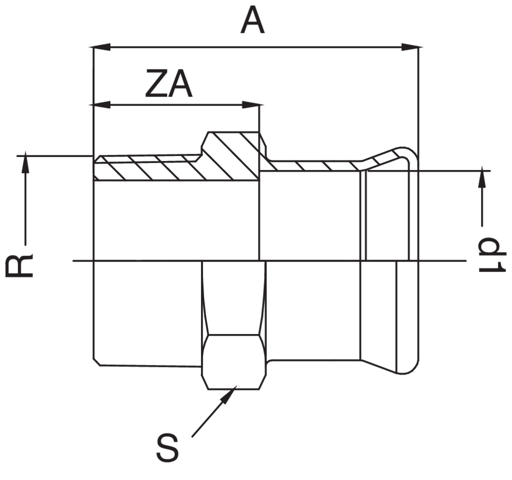
Übergangsstück I mit A Gewinde aus Rotguss.
Technische Spezifikationen
d1 x R
BAG
MASTER BOX
CODE
A
S
ZA
12 x 3/8"
10
250
QM8243A38012000
32,5
18
14,5
12 x 1/2"
10
200
QM8243A12012000
35
19
17
15 x 3/8"
10
200
QM8243A38015000
34
19
14
15 x 1/2"
10
150
QM8243A12015000
35,5
21
15,5
15 x 3/4"
10
150
QM8243A34015000
37
24
17
18 x 1/2"
10
150
QM8243A12018000
36
24
16
18 x 3/4"
10
100
QM8243A34018000
39
24
19
22 x 1/2"
10
100
QM8243A12022000
39,5
27
16,5
22 x 3/4"
10
100
QM8243A34022000
41
27
18
22 x 1"
5
70
QM8243B01022000
43
27
20
28 x 3/4"
5
50
QM8243A34028000
42
32
19
28 x 1"
5
50
QM8243B01028000
43,5
34
20,5
28 x 1"1/4
5
50
QM8243B14028000
49
34
26
35 x 1"
5
30
QM8243B01035000
49
40
23
35 x 1"1/4
5
40
QM8243B14035000
52
42
26
35 x 1"1/2
5
25
QM8243B12035000
53
46
27
42 x 1"1/4
5
20
QM8243B14042000
58
48
28
42 x 1"1/2
5
25
QM8243B12042000
58
48
28
54 x 1"1/2
1
15
QM8243B12054000
59
60
24
54 x 2"
1
10
QM8243C02054000
65,5
58
30,5
Anwendungen
Verfügbare Medien und Videos
Katalog
Preisliste
Zurück zum Katalog