DE
IT
EN
FR
ES
Ein Unternehmen der Bonomi Group
Home
Products
Contacts
Downloads
Nachhaltigkeit
IT
EN
DE
FR
ES
KATALOG
/
PRESSFITTINGS
/
KUPFER UND ROTGUSS PRESSFITTINGS
/
RS9130
KUPFER UND ROTGUSS PRESSFITTINGS
RS9130
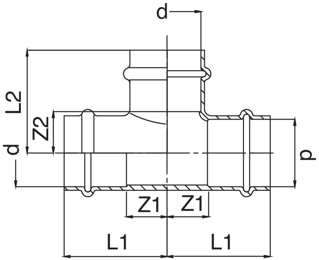
T-Stück I/I/I aus Kupfer.
Technische Spezifikationen
d
BAG
MASTER BOX
CODE
L1
L2
Z1
Z2
12
10
150
RS9130012012012
29
29
11
11
15
10
100
RS9130015015015
41
33
19
11
18
5
50
RS9130018018018
42
35
19
12
22
5
40
RS9130022022022
45
39
21
15
28
5
35
RS9130028028028
48
46
23
21
35
5
20
RS9130035035035
53
48
27
22
42
1
10
RS9130042042042
65
65
29
29
54
1
8
RS9130054054054
75
75
35
35
Big-size, Artikel RR9130, ist verfügbar.
Anwendungen
Verfügbare Medien und Videos
Katalog
Preisliste
Depliant Frabopress Kombi
KOMBI - Raccordi a pressare in rame e bronzo Fra.Bo per acqua e gas
Zurück zum Katalog
Verwandte Produkte / Zubehör
RR9130
Slide 1 of 1.