DE
IT
EN
FR
ES
Ein Unternehmen der Bonomi Group
Home
Products
Contacts
Downloads
Nachhaltigkeit
IT
EN
DE
FR
ES
KATALOG
/
SISTEMA PRESSFITTING
/
EDELSTAHL PRESSFITTINGS MIT M-PROFIL
/
MXF358
EDELSTAHL PRESSFITTINGS MIT M-PROFIL
MXF358
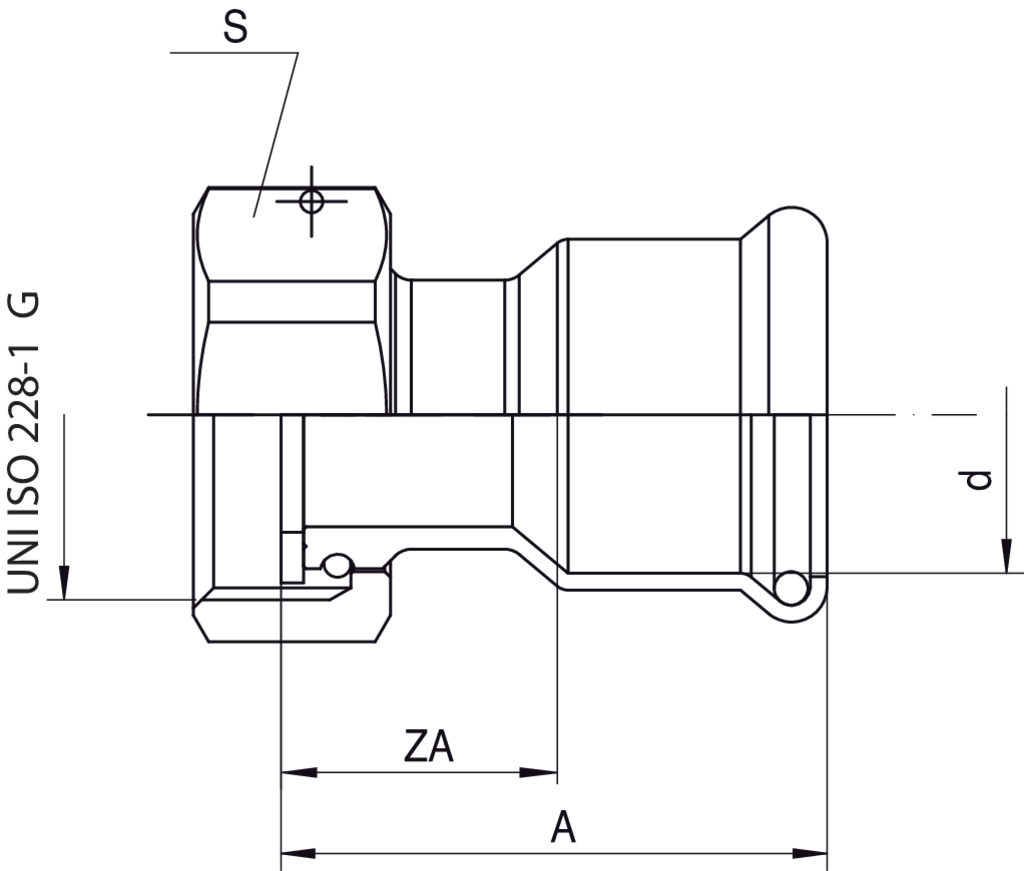
Fitting mit Edelstahl Überwurfmutter.
Technische Spezifikationen
d x G
BAG
MASTER BOX
CODE
CH
L
Z
15 x 3/4”
10
200
MXF358A34015000
30
31,5
19
18 x 3/4”
10
200
MXF358A34018000
30
31,5
19,5
22 x 1''
5
120
MXF358B01022000
37
29
21
22 x 1''
5
120
MXF358B01022000
37
29
21
28 x 1”1/4
5
100
MXF358B14028000
47
34,5
22
35 x 1"1/2
10
200
MXF358B12035000
30
31,5
19
42 x 1"3/4
10
200
MXF358B34042000
30
31,5
19
42 x 2"
10
200
MXF358C02042000
30
31,5
19
54 x 2"
10
200
MXF358C02054000
30
31,5
19
Anwendungen
Verfügbare Medien und Videos
Katalog
Preisliste
Zurück zum Katalog