EN
IT
DE
FR
ES
A Bonomi Group company
Home
Products
Contacts
Downloads
Sustainability
IT
EN
DE
FR
ES
CATALOGUE
/
SISTEMA PRESSFITTING
/
GALVANIZED CARBON STEEL M-PROFILE PRESSFITTINGS
/
CM0130
GALVANIZED CARBON STEEL M-PROFILE PRESSFITTINGS
CM0130
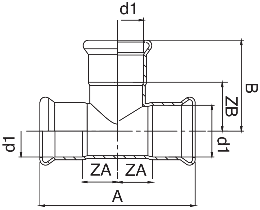
F/F/F tee.
Technical specifications
d1
BAG
MASTER BOX
CODE
A
B
ZA
ZB
15
10
100
CM0130015015015
75
38
18,5
19
18
10
50
CM0130018018018
80
39
21
20
22
5
40
CM0130022022022
82
44
20
23
28
5
30
CM0130028028028
92
49
24
27
35
5
20
CM0130035035035
102
57
26
32
42
1
10
CM0130042042042
118
69
30
40
54
1
10
CM0130054054054
142
79
37
45
Applications
Available media and videos
Catalog
Price list
Depliant Frabopress
FRABOPRESS - Raccordi a pressare di Rubinetterie Bresciane - Fra.bo Division
Back to the catalogue
Related products / Accesories
AC0130
Slide 1 of 1.