IT
EN
DE
FR
ES
Un'azienda di Bonomi Group
Home
Prodotti
Contatti
Downloads
Sostenibilità
IT
EN
DE
FR
ES
CATALOGO
/
SISTEMA PRESSFITTING
/
SISTEMA PRESSFITTING PROFILO M DI ACCIAIO INOSSIDABILE
/
MX0F91
SISTEMA PRESSFITTING PROFILO M DI ACCIAIO INOSSIDABILE
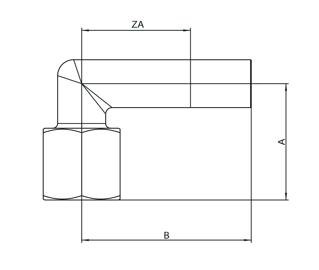
MX0F91
Gomito maschio filettato femmina.
Specifiche tecniche
d x Rp
BAG
MASTER BOX
CODICE
A
B
ZA
15 x 1/2"
10
50
MX0F91A12015000
37
53
34
Applicazioni
Video e media disponibili
Catalogo
Listino
Depliant Frabopress
FRABOPRESS - Raccordi a pressare di Rubinetterie Bresciane - Fra.bo Division
Torna al catalogo