IT
EN
DE
FR
ES
Un'azienda di Bonomi Group
Home
Prodotti
Contatti
Downloads
Sostenibilità
IT
EN
DE
FR
ES
CATALOGO
/
SISTEMA PRESSFITTING
/
SISTEMA PRESSFITTING PROFILO M DI ACCIAIO INOSSIDABILE
/
MXF92L
SISTEMA PRESSFITTING PROFILO M DI ACCIAIO INOSSIDABILE
MXF92L
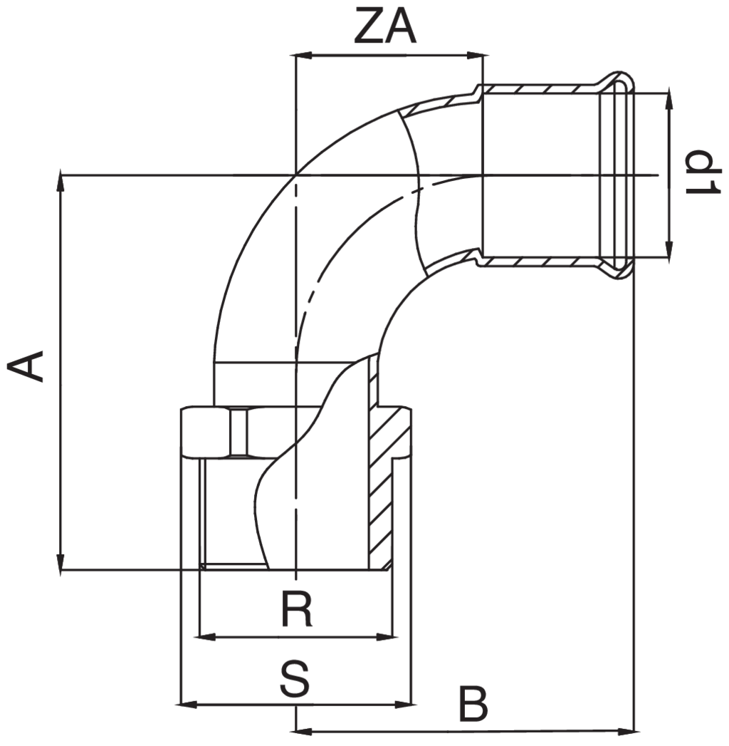
Gomito a 90° con filettatura maschio.
Specifiche tecniche
d1 x R
BAG
MASTER BOX
CODICE
A
B
S
ZA
15 x 1/2"
5
30
MXF92LA12015000
55
37
21
18
18 x 1/2"
5
30
MXF92LA12018000
58
41,5
21
22
22 x 1/2"
5
20
MXF92LA12022000
62
46,5
27
25,5
22 x 3/4"
5
20
MXF92LA34022000
62,5
46,5
27
25,5
28 x 1"
5
15
MXF92LB01028000
77
57,5
34
35,5
35 x 1"1/4
1
10
MXF92LB14035000
88,5
63
43
36
42 x 1"1/2
1
10
MXF92LB12042000
102,5
76,5
49
46,5
54 x 2"
1
5
MXF92LC02054000
121,5
95
62
60
Applicazioni
Video e media disponibili
Catalogo
Listino
Depliant Frabopress
FRABOPRESS - Raccordi a pressare di Rubinetterie Bresciane - Fra.bo Division
Torna al catalogo